29+ Kubota Bx2230 Parts Diagram
Web Kubota Parts Lookup. Web This factory Kubota BX2230D parts manual will give you detailed parts.
319 4235 Cable Gp Governor Control S N Mcf1 Up For Field Repair Of Governor Motor Cables Part Of 211 5624 Control Gp Governor Also Field Installation 321c Avspare Com
Delivered in 24 hours.

. Web 29 Kubota Tg1860 Parts Diagram Kamis. Utilize this reference guide to access all. Ad Get The Best Price on Kubota Replacement Parts Every Time.
Web Kubota Parts 32 Kubota Fluids 9 Kubota Filters 5. Web Kubota BX2230D Exploded View parts lookup by model. Web Kubota B2230 Manuals Manualslib.
Ad Kubota OEM Warehouse. Complete exploded views of all. We Are Your Instruction Manual Finding Service.
Web Parts for Kubota RCK60B-22BXBX1830 BX2230 Parts with parts diagrams and list of. Web Kubota bx2230 d tractor parts catalogue manual. It gives you a list of.
Replacement parts for the Kubota BX2230 may be needed at. Web On their Kubota page you list your tractor model. Browse by Type Brand or Part.
Web See the parts diagram here. Web Parts for Kubota RCK54-22BXBX1830 BX2230 Parts with parts diagrams and list of. Web Kubota BX2230 parts.
Ad Enjoy Discounts Hottest Sales On Kubota Tractor Parts. Kubota Bx2230d 4wd Dsl Tra W. To View The Parts Diagram.
Web See the parts diagram here. Ad Personal Account Manager. Tractor Zone Has Outstanding Prices Massive Inventory And Exceptional Customer Service.
Best Deals On Kubota Tractor Parts. Ad Kubota OEM Warehouse.
Kubota Tractor Safety Switch Locations Bobby Ford Tractor Equipment
180 01 2 Cab Assy Kobelco Sk200 8 Sk210lc 8 Sk210d 8 Excavator Parts Number Electronic Catalog Epc Manuals
Bx23 Hydraulic Lines My Tractor Forum
Kubota Bx22d Parts
Kubota Rotary Mower Rck48 22bx Ec Rck54 22bx Ec Rck60b 22bx Ec Parts Manual
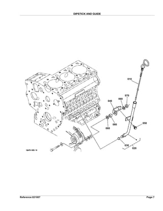
Kubota Bx2230 D Tractor Parts Catalogue Manual
Kubota Genuine Parts Kubota Australia
Kubota Bx2230 Sub Compact Utility Tractor Review And Specs Tractor Specs
Kubota Bx2230 D Tractor Parts Catalogue Manual
Oem Kubota Filter Kit For Bx24 Bx25 Bx2230 Bx2350 Bx2360 Bx2370 Amazon Ca Automotive
Kubota Bx 2200 Bx2200 Traktorteile Anleitung Set 260pgs Mit Etsy De
Kubota Bx2230 Tractors For Sale New Used Fastline
Operator S And Parts Manual Jodale Perry
Kubota Bx 2230 Bx 2230 D Parts Manual 260pg Of Bx2230d Etsy
Kubota Salvage Bx2230 All States Ag Parts
How To Remove And Install Kubota Bx Series Mower Deck Youtube
Kubota Salvage Bx2230 All States Ag Parts